首页
手游
资讯
专区
更新
排行
首页
>
攻略合集
> 恐怖乌鸦
恐怖乌鸦
2023-04-17
恐怖乌鸦合集
恐怖乌鸦是是一款内容十分丰富的烧闯关游戏。恐怖乌鸦全章内容非常考验玩家心智,每一项的欢乐度都极高。主要分支任务必须完成,所以要不断推动整个剧情的发展。
策略公司新增3.3亿美元比特币(BTC)投资,第一季度现145亿美元纸面亏损
策略公司再增持3.3亿美元比特币,首季录得145亿美元未实现亏损据市场信息,知名比特币上市公司策略公司近日再次进行大规模购入。该公司以约6.77万美元的均价,新
2026-04-07
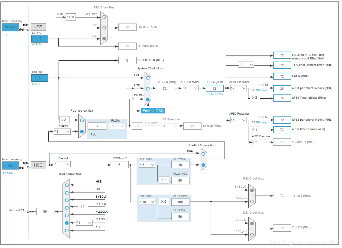
STM32如何移植LwIP实现精简-STM32移植LwIP精简指南介绍
确保开发环境准备完毕在开始之前,请先完成开发环境的搭建。你需要准备完整的工具链:STM32CubeMX、一款主流集成开发环境(例如KeilMDK或IAREWARM),以及对
2026-04-07
燕云十六声冬日宝箱点灯笼如何获取
燕云十六声冬日宝箱与灯笼获取全攻略《燕云十六声》冬日活动现已开启,藏有丰厚奖励的宝箱与待点亮的灯笼成为玩家关注焦点。如何高效收集,不漏掉任何奖励?本指
2026-04-07
SUI币是什么?总量是多少?如何分配?投资价值怎么样?
全面解读SUI币:技术基础与市场动态SUI币是Sui公链的原生代币,主要用于支付网络手续费、参与质押及治理。该代币总量固定为100亿枚,通过分阶段方式逐步释放进入
2026-04-07
AdobeAcrobat如何旋转PDF页面-AdobeAcrobat旋转页面的方法
AdobeAcrobatPDF页面旋转教程:详细步骤指南在处理PDF文档时,页面方向错误是常见问题。无论是扫描文件方向摆错,还是收到的文档页面颠倒,都需要进行校正
2026-04-07
纵横中文网作者注册指南
纵横中文网作者入驻指南:详细步骤解析若计划在纵横中文网开启网络文学创作,作者入驻流程清晰明确。遵循以下步骤,即可高效完成账号注册与申请。一、账户
2026-04-07
云顶之弈S16烬技能效果是什么
云顶之弈S16:戏命师烬玩法深度解析在S16赛季中,戏命师烬是能够显著改变战局走向的关键棋子之一。其独特的输出模式与高额爆发伤害,常常能为对手带来意料之外的
2026-04-07
Olympus Pro的债券机制如何运作?协议自有流动性有什么优势?
OlympusPro:重塑DeFi流动性的债券引擎在DeFi领域,流动性问题始终是一个关键挑战。传统的流动性挖矿模式,类似于一种“租赁”模式——项目方需要持续支付激励
2026-04-07
半球电磁炉支持定时开关吗?
主流半球电磁炉普遍支持定时开关功能当前市面主流的半球电磁炉,例如常见的HY-219型号及2200W功率系列,大多标配智能定时功能。根据产品官方信息与技术规格,其
2026-04-07
彩色笔记app如何实现云同步-彩色笔记app云同步的方法
在数字化时代,云同步如何提升笔记管理效率如今,多设备办公和学习已成为常态。手机、平板、电脑之间的频繁切换,让笔记的即时同步变得至关重要。彩色笔记App的
2026-04-07
首页
543
544
545
546
547
尾页
热门专题
更多
高画质赛车游戏大全
口碑最好的手游合集
策略游戏大全
闯关小游戏入口
三国名将养成策略手游
三国策略手游合集
第一人称射击游戏大全
age动漫入口
耽美漫画在线看
喵上漫画正版下载APP
策略类军事游戏大全
角色游戏下载大全
手游
专题
攻略
App下载
web3
返回首页
回到顶部
湘ICP备14008430号-1 湘公网安备 43070302000280号
All Rights Reserved
本站为非盈利网站,不接受任何广告。本站所有软件,都由网友
上传,如有侵犯你的版权,请发邮件给xiayx666@163.com
抵制不良色情、反动、暴力游戏。注意自我保护,谨防受骗上当。
适度游戏益脑,沉迷游戏伤身。合理安排时间,享受健康生活。